Пжд 14 схема

Пжд 14 схема. Нагреватель 14тс 10 схема подключения. Пжд 14 схема. Пусковой подогреватель камаз 14тс-10 схема. Пжд 14 схема.
Пжд 14 схема. Нагреватель 14тс 10 схема подключения. Пжд 14 схема. Пусковой подогреватель камаз 14тс-10 схема. Пжд 14 схема.
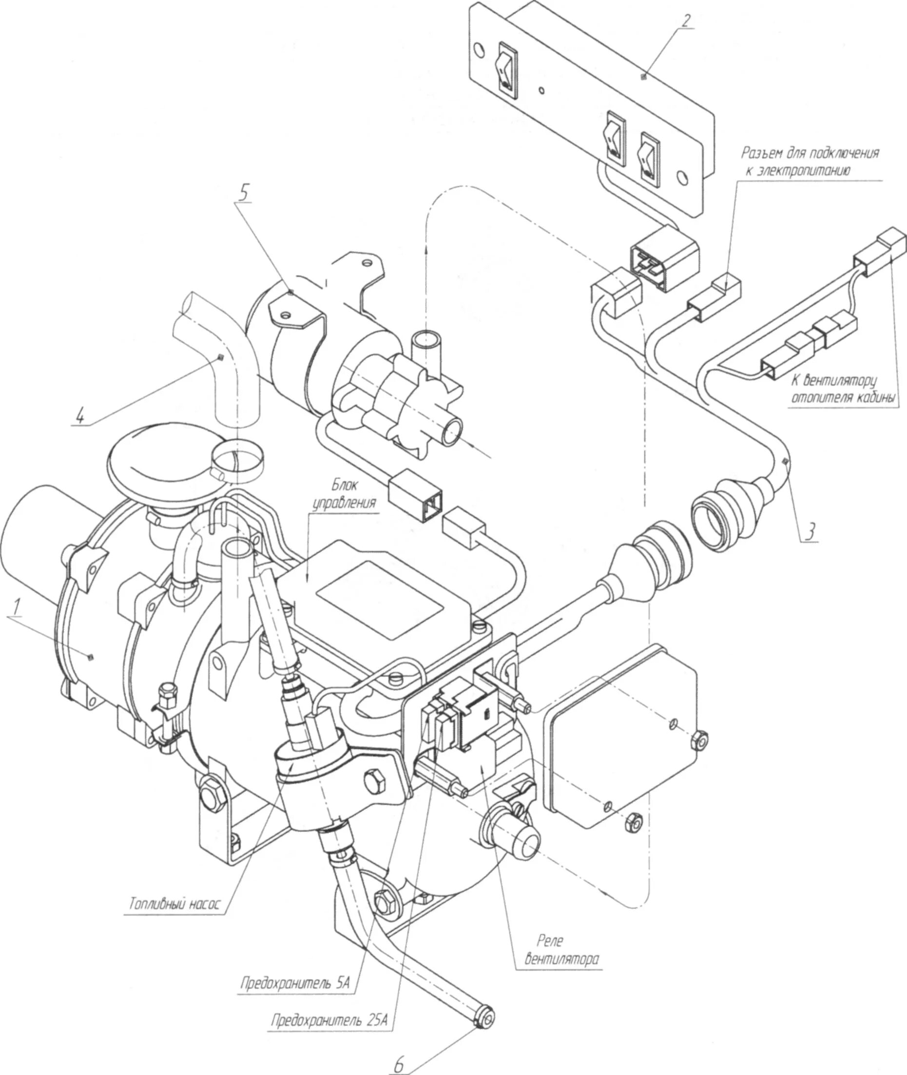
Подогреватель двигателя предпусковой 14тс-10 камаз схема подключения. 00. Пжд 14 схема. Отопитель 14тс-10. Схема пульта управления пжд 14тс-10.
Подогреватель двигателя предпусковой 14тс-10 камаз схема подключения. 00. Пжд 14 схема. Отопитель 14тс-10. Схема пульта управления пжд 14тс-10.
Тс-011м инструкция. Электрическая схема подогревателя 14тс-10. Подогреватель предпусковой дизельный 14тс-10-24-с схема питания. Подогреватель двигателя 14тс-10 коды. Схема подключениепжд 14тс-10.
Тс-011м инструкция. Электрическая схема подогревателя 14тс-10. Подогреватель предпусковой дизельный 14тс-10-24-с схема питания. Подогреватель двигателя 14тс-10 коды. Схема подключениепжд 14тс-10.
8106 схема. Пжд 14 схема. 14тс-10-24-с подогреватель предпусковой дизельный схема. 14тс-10-24-с подогреватель предпусковой дизельный. Предпусковой подогреватель пжд 141.
8106 схема. Пжд 14 схема. 14тс-10-24-с подогреватель предпусковой дизельный схема. 14тс-10-24-с подогреватель предпусковой дизельный. Предпусковой подогреватель пжд 141.
Предпусковой подогреватель 14тс 10 эл. Пжд 14 схема. Схема подключения предпускового подогревателя 14тс-10. Подогреватель жидкостный 16жд24. Подогреватель двигателя 14тс-10 коды.
Предпусковой подогреватель 14тс 10 эл. Пжд 14 схема. Схема подключения предпускового подогревателя 14тс-10. Подогреватель жидкостный 16жд24. Подогреватель двигателя 14тс-10 коды.
Пульт управления пжд 14тс-10 электрическая схема. Электрическая схема подогреватель предпусковой дизельный 14 тс. 8106. Схема подогревателя 14тс-10-24. Пжд 14 схема.
Пульт управления пжд 14тс-10 электрическая схема. Электрическая схема подогреватель предпусковой дизельный 14 тс. 8106. Схема подогревателя 14тс-10-24. Пжд 14 схема.
15. Пжд 14 схема. Предпусковой подогреватель двигателя пжд 14тс-10 схема. Подогреватель предпусковой дизельный 14тс-10 схема. Теплостар 14тс-10 схема.
15. Пжд 14 схема. Предпусковой подогреватель двигателя пжд 14тс-10 схема. Подогреватель предпусковой дизельный 14тс-10 схема. Теплостар 14тс-10 схема.
00. Пжд 14 схема. 00. Пжд 14 схема. Электрическая схема подогреватель предпусковой дизельный 14 тс.
00. Пжд 14 схема. 00. Пжд 14 схема. Электрическая схема подогреватель предпусковой дизельный 14 тс.
Подогреватель двигателя камаз прамотроник 14тс 10. Схема подогревателя 14тс-10-24. 00. Подогреватель двигателя предпусковой 14тс-10 камаз схема подключения. Прамотроник 15.
Подогреватель двигателя камаз прамотроник 14тс 10. Схема подогревателя 14тс-10-24. 00. Подогреватель двигателя предпусковой 14тс-10 камаз схема подключения. Прамотроник 15.
Пжд 14 схема. 000-10 - подогреватель предпусковой дизельный 14тс-10. 14тс-10-24-с подогреватель предпусковой дизельный схема. 8106. Пжд 14 схема.
Пжд 14 схема. 000-10 - подогреватель предпусковой дизельный 14тс-10. 14тс-10-24-с подогреватель предпусковой дизельный схема. 8106. Пжд 14 схема.
8106. 00. Схема пжд 14тс 10 камаз. Планар 14тс10 схема подключения. Подогреватель 14тс-10 схема подключения.
8106. 00. Схема пжд 14тс 10 камаз. Планар 14тс10 схема подключения. Подогреватель 14тс-10 схема подключения.
000. 11 тс схема. 14тс 451. Пжд 14 схема. Пжд 14 схема.
000. 11 тс схема. 14тс 451. Пжд 14 схема. Пжд 14 схема.
Предпусковой подогреватель 14тс 10 эл. Подогреватель двигателя 14тс-10 схема подключения. 14тс-10-24-с подогреватель предпусковой дизельный схема подключения. Пжд 14 схема. Подогреватель камаз 14тс-10 схема.
Предпусковой подогреватель 14тс 10 эл. Подогреватель двигателя 14тс-10 схема подключения. 14тс-10-24-с подогреватель предпусковой дизельный схема подключения. Пжд 14 схема. Подогреватель камаз 14тс-10 схема.
Подогреватель двигателя 14тс-10 коды. Схема. 14тс 451. Предпусковой подогреватель двигателя 14тс-10 схема. 14тс-10-24-с подогреватель предпусковой дизельный схема подключения.
Подогреватель двигателя 14тс-10 коды. Схема. 14тс 451. Предпусковой подогреватель двигателя 14тс-10 схема. 14тс-10-24-с подогреватель предпусковой дизельный схема подключения.
Разъем пжд 14тс-10. Пжд 14 схема. Кронштейн подогревателя 14тс-10 урал 4320 чертеж. Подогреватель предпусковой дизельный 14тс-10 эл схема. Пжд 14 схема.
Разъем пжд 14тс-10. Пжд 14 схема. Кронштейн подогревателя 14тс-10 урал 4320 чертеж. Подогреватель предпусковой дизельный 14тс-10 эл схема. Пжд 14 схема.
14тс-10 блок управления схема. Подогреватель дизельный 14тс-10 эр. Подогреватель предпусковой дизельный 14 тс 10 коды ошибок. Коды ошибок пжд 14тс-10. 000 прамотроник.
14тс-10 блок управления схема. Подогреватель дизельный 14тс-10 эр. Подогреватель предпусковой дизельный 14 тс 10 коды ошибок. Коды ошибок пжд 14тс-10. 000 прамотроник.
Подогреватель предпусковой дизельный 14тс-10 схема электрическая. Схема пжд 14тс 10 камаз. Схема подогревателя 14тс-10-24. Подогреватель предпусковой дизельный 14тс-10 схема подключения. Пжд 14 схема.
Подогреватель предпусковой дизельный 14тс-10 схема электрическая. Схема пжд 14тс 10 камаз. Схема подогревателя 14тс-10-24. Подогреватель предпусковой дизельный 14тс-10 схема подключения. Пжд 14 схема.
00. Схема. Пжд 14 схема. Пжд 14 схема. Схема подключения пульта предпускового подогревателя 14 тс10.
00. Схема. Пжд 14 схема. Пжд 14 схема. Схема подключения пульта предпускового подогревателя 14 тс10.
Предпусковой подогреватель 14тс-10. Предпусковой подогреватель двигателя 14тс-10 схема подключения. 000-10 - подогреватель предпусковой дизельный 14тс-10. Электрическая схема подогреватель предпусковой дизельный 14 тс. Подогреватель предпусковой дизельный 14тс-10 эл схема.
Предпусковой подогреватель 14тс-10. Предпусковой подогреватель двигателя 14тс-10 схема подключения. 000-10 - подогреватель предпусковой дизельный 14тс-10. Электрическая схема подогреватель предпусковой дизельный 14 тс. Подогреватель предпусковой дизельный 14тс-10 эл схема.
Схема подключения предпускового подогревателя 14тс-10 камаз. Чертеж подогреватель предпусковой дизельный теплостар 14тс-10-24-с. Подогреватель двигателя предпусковой 14тс-10 камаз схема подключения. Схема подогревателя 14тс-10-24. Жидкостный подогреватель прамотроник 15.
Схема подключения предпускового подогревателя 14тс-10 камаз. Чертеж подогреватель предпусковой дизельный теплостар 14тс-10-24-с. Подогреватель двигателя предпусковой 14тс-10 камаз схема подключения. Схема подогревателя 14тс-10-24. Жидкостный подогреватель прамотроник 15.